Gambar Kelistrikan Body Mobil
Rangkaian kelistrikan mobil meski awalnya mobil merupakan benda mekanikal yang dapat bergerak karena proses mekanis pada mesin dan powertrain tak bisa dipungkiri keberadaan komponen kompenen elektrik pada sebuah mobil menjadi kebutuhan wajib. Rangkaian sistem kelistrikan body tersebut antara lain adalah sistem penerangan lampu kepala lampu kota lampu tanda belok lampu hazzard lampu plat nomor lampu rem dan lampu mundur.

Sistem Kelistrikan Bodi Pada Mobil
Definisi sistem kelistrikan body.
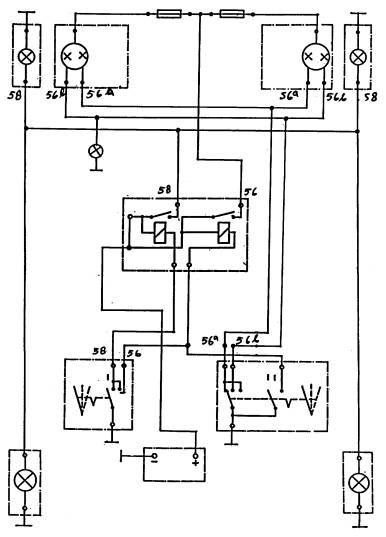
Gambar kelistrikan body mobil. Fungsi sistem kelistrikan body adalah sebagai penerangan pada kendaraan untuk memberikan tanda tanda kepada pengendara lain pada saat akan membelok maupun akan berhenti sehingga pengendara akan aman dari kecelakaan. Dasar dasar kelistrikan body pada teknik otomotif menjadi kunci dasar kita untuk dapat membaca wering diagram pada buku pentunjuk perbaikan menganalisa kerusakan dan menentukan dimana komponen kelistrikan itu berada. Lampu masuk kedalam sistem elektrikal karena bekerja dengan prinsip perpindahan elektron.
Contoh sederhana adalah lampu. Bagian penting dari kendaraan baik untuk sepeda motor atau mobil adalah sistem kelistrikan bodi termasuk dalam hal ini adalah sistem penerangan lighting sistem yang tentunya sangat diperlukan sekali untuk keselamatan pengendara terutama untuk pengendaraan dimalam hari. Sistem kelistrikan body pada mobil sistem kelistrikan body adalah instalasi dari berbagai rangkaian penerangan pada kendaraan.
Sistem kelistrikan body adalah instalasi dari berbagai rangkaian penerangan pada kendaraan. Bagian penting dari kendaraan baik untuk sepeda motor atau mobil adalah sistem kelistrikan bodi termasuk dalam hal ini adalah sistem penerangan lighting sistem yang tentunya sangat diperlukan sekali untuk keselamatan pengendara terutama untuk pengendaraan dimalam hari. Selain itu juga untuk memberikan indikator pada pengendara contoh lampu tanda belok ke kanan ataupun kiri sudah menyala kondisi bahan bakar masih banyak atau sudah habis dan lain.
Tapi sebelum kita melangkah lebih jauh mengenai teknologi pada kendaraan alangkah baiknya kita belajar mengenai dasar dasar. Sistem kelistrikan body pada mobil gambar 2. Rangkaian sistem kelistrikan body tersebut antara lain sistem penerangan lampu kepal a lampu kota lampu tanda belok lampu hazzard lampu plat nomor lampu rem dan lampu mundur.
Pada artikel kali ini saya akan membahas tentang sistem kelistrikan bodi pada kendaraan mobil.

Sistem Kelistrikan Bodi Pada Mobil

Sistem Kelistrikan Bodi Pada Mobil

Contoh Rangkaian Kelistrikan Pada Honda Astrea Grand
Teknik Otomotif Bagian Bagian Kelistrikan Body Pada Mobil

Kelistrikan Body Kendaraan 3 Wimerta S Blog

Rangkaian Kelistrikan Body Mobil Youtube

Materi Sistem Kelistrikan Mobil Terlengkap Pengertian Komponen

Sistem Kelistrikan Bodi Pada Mobil

Contoh Soal Dan Contoh Pidato Lengkap Gambar Rangkaian Tanda Belok
Rangkaian Kelistrikan Lampu Kepala Pengendali Negatif Tanpa Relay

Jual Kelistrikan Body Mobil Trainer Kota Semarang Indra
Fungsi Lampu Hazard Dan Rangkaian Kelistrikan Lampu Hazard

Download Skema Wiring Diagram Kelistrikan Mobil Otomotrip

Rangkaian Kelistrikan Lampu Mundur Pada Mobil Teknisimobil Com

Wiring Diagram Ac Mobil Avanza En 2020
Rangkaian Lampu Kepala Pengendali Negatif Dengan Relay Teknik

Materi Sistem Kelistrikan Mobil Terlengkap Pengertian Komponen

Skema Rangkaian Sederhana Relay Klakson Mobil Otomotif Mobil

Bahas Kelistrikan Wiring Harness Part2 Diy4all

Electrical Body System Car Trainer Atau Simulasi Kelistrikan Mobil

Wearing Diagram Kelistrikan Avanza Lengkap Kendaraan Ringan

Skema Kelistrikan Pada Mobil Dan Komponennya

Gambar Rangkaian Kelistrikan Kumpulan Cara Dan Tips Menarik
Kelistrikan Body Mobil Pages 1 14 Text Version Anyflip

Materi Sistem Kelistrikan Sepeda Motor Paling Rinci Autoexpose

Identifikasi Kerusakan Sistem Pengaman Kelistrikan Otomotif Studi

Wiring Diagram Kelistrikan Honda Cbr 250r

Wiring Diagram Kelistrikan Yamaha Vixion

Jual Trainer Kelistrikan Body Daihatsu Granmax Laci Ganda Kab
Contoh Soal Dan Contoh Pidato Lengkap Gambar Rangkaian Tanda Belok
Materi Sistem Kelistrikan Mobil Terlengkap Pengertian Komponen

Trainer Kelistrikan Body Laci Ganda Trainer Smk Dan Alat
Sistem Kelistrikan Body Pada Mobil Teknik Otomotif Com
Http Repository Umy Ac Id Bitstream Handle 123456789 17712 Bab 20iii Pdf Sequence 4 Isallowed Y

Jual Produk Trainer Kelistrikan Body Daihatsu Grandmax Murah Dan
![]()
Doc Kode Kelistrikan Body Msis Warsito Academia Edu

Rangkaian Kelistrikan Lampu Tanda Belok Atau Sein Teknisimobil Com
Fungsi Lampu Rem Dan Komponen Kelistrikan Lampu Rem Serta Diagram
Sistem Kelistrikan Bodi Pada Mobil
Jual Trainer Kelistrikan Body Laci Ganda Kota Surabaya Cv

Abah Arif Pelita Ansor Melayani Dengan Hati

Mobil Avanza Power Window Ac Mobil Dan Lampu Sein Tidak Bekerja
Materi Sistem Kelistrikan Sepeda Motor Paling Rinci Autoexpose

Contoh Soal Dan Contoh Pidato Lengkap Gambar Rangkaian Lampu Kepala

Kelistrikan Body Mobil Itc Semarang Youtube
Penjelasan Bengkel Soal Kiprok Pengubah Arus Ac Ke Dc Otomotif

Tips Lampu Besar Kurang Terang Sebelah Otomotrip
Penjelasan Bengkel Soal Kiprok Pengubah Arus Ac Ke Dc Otomotif

Power Window Central Door Lock Dan Elektric Mirror

Cara Memasang Alarm Mobil Terlengkap Dan Terbaru 2020 Otoflik
Komponen Dan Rangkaian Sistem Kelistrikan Klakson Horn Teknik

Gambar Kelistrikan Motor Tiger Pelekmodif

Jual Produk Trainer Kelistrikan Body Murah Dan Terlengkap Maret

Free Rangkaian Kelistrikan Lampu Mobil Pdf Free Modul Praktek
Sistem Kelistrikan Body Pada Mobil Teknik Otomotif Com

Cara Mengganti Dan Memeriksa Sekring Toyota Agya Daihatsu Ayla
Sistem Kelistrikan Body Fungsi Komponen Dan Rangkaian Autoexpose

Power Window Central Door Lock Dan Elektric Mirror

Kelistrikan Body Kendaraan Wimerta S Blog

Cara Mengganti Dan Memeriksa Sekring Toyota Agya Daihatsu Ayla

Alfianromadhoni Sistem Kelistrikan Body Pada Mobil

Sistem Kelistrikan Body Pada Mobil Docx Document

Penyebab Sistem Kelistrikan Mobil Mati Dan Cara Mengatasinya
Fungsi Lampu Sein Dan Rangkaian Kelistrikan Lampu Sein Teknik

Cara Kerja Relay Pada Rangkaian Kelistrikan Mobil Teknisimobil Com

Identifikasi Kerusakan Sistem Pengaman Kelistrikan Otomotif Studi

Simbol Simbol Warna Kelistrikan Mobil Nbsp Standar Kompetensi

Am 4798 Wiring Diagram Lampu Kepala

Modifikasi Kelistrikan Yamaha Rx King Jadi 12 V

Simbol Listrik Dan Elektronika Lengkap Dengan Fungsinya
Sistem Kelistrikan Body Pada Mobil Teknik Otomotif Com

Gambar Mobil Excavator Mobil Volvo Gambar

Cara Mengganti Dan Memeriksa Sekring Toyota Agya Daihatsu Ayla

Tugas Akhir Sistem Wiper Dan Washer Nissan Serena Pdf Free Download
Penjelasan Bengkel Soal Kiprok Pengubah Arus Ac Ke Dc Otomotif
Gambar Diagram Sekring Sekring Honda Brio Perawatan Honda Brio

Cara Ganti Fusible Link Pada Kijang Innova Otomotif Mobil
Rangkaian Dan Cara Kerja Sistem Klakson Dengan Relay Autoexpose

Kelistrikan Body Kendaraan Wimerta S Blog

Sistem Kelistrikan Bodi Pada Mobil














